1. Home
  2. Knowledge Base
  3. FAQ
  4. What is the buffer tank setpoint in the Messana system?
  1. Home
  2. Knowledge Base
  3. Key Terms
  4. What is the buffer tank setpoint in the Messana system?
  1. Home
  2. Knowledge Base
  3. Products
  4. Controls
  5. What is the buffer tank setpoint in the Messana system?

What is the buffer tank setpoint in the Messana system?

Buffer tanks are a key component of modern hydronic systems.

Main function:

  • The buffer tank provides hydronic separation between the heat pump loop and the hydronic terminal distribution loop.
  • This ensures stable flow on both sides, prevents interaction between circuits, and protects the heat pump from rapid cycling.
  • It also adds some thermal storage capacity, which helps smooth out system operation.

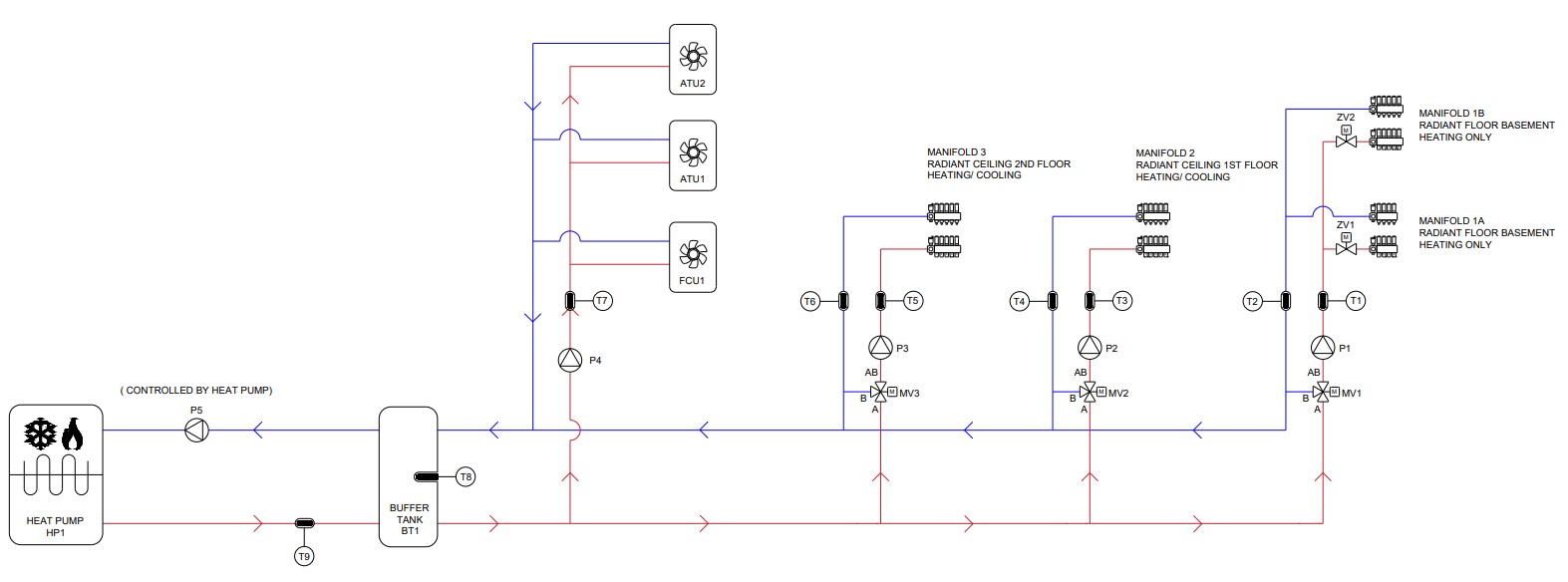
System Diagram

See the system diagram below for a visual explanation of the buffer tank’s role as a hydraulic separator.

Diagram showing a buffer tank in a hydronic system, which also acts as a hydraulic separator.

Buffer tank setpoint:

  • The buffer tank setpoint is the water temperature that the system maintains inside the buffer tank.
  • This setpoint can be fixed or calculated automatically in real time by the Messana controller, based
    on current heating or cooling demand from the hydronic system.
  • Maintaining this setpoint ensures that the hydronic terminal loops always receive water at the proper temperature for comfort and efficiency.

Messana App: Buffer Tank Settings

Buffer tank settings page in the Messana App for modern hydronic HVAC systems.

Control types:

  • If the heat pump is controlled as on/off, the Messana system will cycle the unit to maintain the buffer tank setpoint.
  • If the heat pump is connected via Modbus, the Messana controller can directly command the supply temperature instead of just cycling power. (This results in smoother operation, reduced cycling, and higher efficiency.)

The correct control type must always be applied according to system configuration. Using the wrong method can lead to poor performance or instability.

Key Notes:

  • Small fluctuations around the setpoint are normal as the system balances demand.
  • The buffer tank setpoint is self-adjusting; no manual changes are required.
  • For optimal performance and efficiency, Modbus supply temperature control is recommended when supported by the heat pump.

Was this article helpful?

Related Articles

Please wait

Your form is being submitted, don’t close your browser.